- 產品介紹
簡短描述:
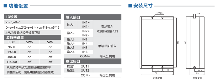
485總線步進驅動器TD60-N,基于RS-485組網運行Modbus RTU協(xié)議。內部集成了智能運動控制功能,搭配外部IO控制,可完成定速/定位/多段位置/自動回零等功能。
TD60-N匹配60以下開環(huán)或閉環(huán)步進電機。
• 控制方式:定長/定速/回零/多段速度/多段位置
• 調試軟件:NTConfigurator(復用RS485接口)
• 電源電壓:18-50V直流供電
485總線步進驅動器TD60-N,基于RS-485組網運行Modbus RTU協(xié)議。內部集成了智能運動控制功能,搭配外部IO控制,可完成定速/定位/多段位置/自動回零等功能。
TD60-N匹配60以下開環(huán)或閉環(huán)步進電機。
• 控制方式:定長/定速/回零/多段速度/多段位置
• 調試軟件:NTConfigurator(復用RS485接口)
• 電源電壓:18-50V直流供電
• 典型應用:單軸電缸、流水線、接駁臺、多軸定位平臺等








